Главная / Услуги / Проектирование систем

Проектирование систем

Комплексные проектные решения для промышленных объектов любой сложности. От концепции до реализации с гарантией качества и соблюдением сроков.

Срок от 24 часов
150+ проектов
Экономичнее конкурентов
Гарантия 12 месяцев

Примеры реализованных проектов

Успешные кейсы из нашей практики — от концепции до реализации

Склад цемента, Йошкар-Ола

Демонстрация 3D-визуализациип проекта на базе программируемого реле ОВЕН. Показаны процессы дозирования, транспортировки и управления оборудованием в реальных производственных условиях.

Склад цемента

Демонстрация прецизионной системы управления складом цемента, обеспечивающей точность дозирования до 0.1%. Видео показывает поэтапную работу оборудования: от загрузки сырья до автоматического наполнения цементовозов, с визуализацией контрольных точек и параметров в реальном времени.

Уруссийский цементный хаб

Видео демонстрирует полностью автоматизированный процесс управления складом цемента. Показана работа системы от получения команды оператора до завершения цикла загрузки, включая автоматическое управление шнеками, контроль уровня сырья и пневмотранспорт между емкостями.

Склад цемента, Васильево

Эксплуатационная демонстрация надежной системы управления складом цемента в промышленных условиях.

Склад цемента, Казань

Наглядное подтверждение экономической эффективности автоматизации: видео демонстрирует, как система управления позволила сократить энергопотребление примерно в треть и увеличить производительность склада. Показаны оптимизированные алгоритмы работы и снижение ручного труда.

Фото проекта или объекта
🏭

Линия покраски торцов фанеры

Автоматизация линии покраски торцов фанеры на предприятии деревообработки. Разработан шкаф управления на базе ПЛК Siemens для управления конвейерами и покрасочной камерой. Обеспечена работа в автоматическом и ручном режимах с системой безопасности.

Заказчик
ООО "Костромской механический завод"
Срок реализации
3 месяца
Электроавтоматика Siemens S7-1200 ПЛК E-Plan Автоматизация

Ключевые особенности

Система управления на базе ПЛК Siemens S7-1200
Управление конвейерами и покрасочной камерой
Система безопасности с аварийными выключателями
Два пульта управления с индикацией режимов работы
Преобразователи частоты для плавного пуска двигателей
Сенсорная панель оператора Wientek MT8071iE

Результаты внедрения

Увеличение производительности линии
Снижение брака на 22%
Экономия электроэнергии на 15%
Сокращение времени переналадки
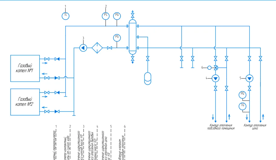
Автоматизация котельной

Автоматизация котельной

Мини-проект по автоматизации котельной с двумя газовыми котлами, теплообменником, насосным оборудованием и КИПиА. Разработаны схемы подключения оборудования к щиту управления, размещение оборудования и монтажные схемы.

Заказчик
Частное предприятие
Срок реализации
1 месяц
Автоматизация КИПиА Газовые котлы Теплообменник Щит управления

Ключевые особенности

Два газовых котла с автоматическим управлением
Теплообменник с системой контроля температуры
Насосное оборудование с автоматическим регулированием
Комплекс КИПиА для мониторинга параметров
Централизованный щит управления
Система безопасности и аварийного отключения

Результаты внедрения

Экономия топлива на 18%
Снижение энергопотребления на 15%
Сокращение персонала на 1 человека
Увеличение КПД котельной на 12%
Шкаф управления складом цемента

Шкаф управления складом цемента

Разработка шкафа управления на базе программируемого реле ПР-200 Овен для работы оборудования склада цемента. Обеспечение работы в ручном и полуавтоматическом режимах для управления шнеками наполнения цементовозов и пневмовинтовыми насосами перекачки цемента.

Заказчик
Промышленное предприятие
Срок реализации
2 месяца
Электроавтоматика Овен ПР-200 OwenLogic Шнековые питатели Пневмотранспорт

Ключевые особенности

Программируемое реле Овен ПР-200
Ручной и полуавтоматический режимы работы
Управление шнеками наполнения цементовозов
Управление пневмовинтовыми насосами перекачки
Программирование в среде OwenLogic
Защита от перегрузок и аварийные отключения

Результаты внедрения

Увеличение скорости наполнения на 25%
Точность дозирования цемента ±1%
Снижение энергопотребления на 18%
Упрощение процесса управления
0
часа минимальный срок
0
реализованных проектов
0
месяцев гарантии
0
квалифицированных специалистов

Этапы проектирования

Четкий и прозрачный процесс работы над вашим проектом

01

Техническое задание

Детальный анализ требований и формирование технического задания

  • Встреча с заказчиком
  • Анализ существующих систем
  • Формирование ТЗ
02

Эскизное проектирование

Разработка концепции и основных технических решений

  • Разработка концепции
  • Выбор оборудования
  • Предварительные расчеты
03

Рабочее проектирование

Создание детальной проектной документации

  • 3D-моделирование
  • Чертежи и схемы
  • Спецификации
04

Согласование и сдача

Защита проекта и передача документации заказчику

  • Внутренняя экспертиза
  • Согласование с заказчиком
  • Передача документации

Используемые технологии

Современное программное обеспечение для точного проектирования

Е

EPLAN

Комплексное проектирование

A

AutoCAD

Точное 2D и 3D проектирование

E

ETAP

Расчеты электроэнергетических систем

M

Mag iC

Проектирование систем вентиляции

S

SolidWorks

Проектирование механических систем

N

Navisworks

Координация и анализ проектов

Частые вопросы

Ответы на популярные вопросы о проектировании

Готовы начать проект?

Оставьте заявку и получите бесплатную консультацию нашего инженера-проектировщика